Seite 2 von 4
Re: scharfe Nockenwelle und andere Spinnereien :-)
Verfasst: 27. Aug 2015, 19:47
von Heiko_F_aus_D
Das ist ja auch alles richtig, um mehr Leistung zu generieren sind andere Maßnahmen zielführender. Möchte man aber aus dem eher träge hochdrehenden XF Motor eine "Drehzahlgeile Sau" machen, geht das nur über eine größere Ventilüberschneidung (bzw. geänderte Steuerzeiten). Umgekehrt wird durch wenig Ventilüberschneidung(Steuerzeiten) aus jedem 600er Supersport Reienvierer ein ganz zahmes Motörchen.
Re: scharfe Nockenwelle und andere Spinnereien :-)
Verfasst: 28. Aug 2015, 10:21
von maxp4
Tach zusammen... hab ich die 3 Drosseleinrichtungen (Schlauchgedôns, Gangsensor, Drosselklappensensor) an meiner CCM auch? Wenn es der Falls sein sollte, gibt's irgend eine Anleitung? Fotos oder so... dass ich nicht die falschen abziehe

Re: scharfe Nockenwelle und andere Spinnereien :-)
Verfasst: 28. Aug 2015, 15:05
von Gelöschter Benutzer 128
Hi,
Ich mache bei Gelegenheit einfach mal ein paar fotos und stell sie hier rein. Dann werde ich auch gleich erfahren ob ich vielleicht doch den falschen stecker gezogen habe. Sorry für die groß- und kleinschreibung, habe die Diktierfunktion von meinem Handy genutzt.
Re: scharfe Nockenwelle und andere Spinnereien :-)
Verfasst: 28. Aug 2015, 16:35
von Knüppi
Bin auch noch unterwegs und schreibe via Telefon:
Ja die Ccm sollte die genauso haben.
Zum einen findet man vieles hier im Forum und
bei Interesse:
Hab auch ein Paar Beiträge in meinem Bog dazu geschrieben.
Grüße
Re: scharfe Nockenwelle und andere Spinnereien :-)
Verfasst: 29. Aug 2015, 14:10
von maxp4
Hat sie denn dann spürbar mehr Druck? Ich frag mich auch was die Drossel für einen Sinn hat. Also ist es besser für den Motor wenn man sie drinn lässt? Oder soll das Motorrad nur beherrschbarer sein mit Drossel?
Re: scharfe Nockenwelle und andere Spinnereien :-)
Verfasst: 29. Aug 2015, 15:31
von wbdz14
das hat wohl was mit geräuscheinhaltungsvorschriften zu tun, daß du sie in den unteren gängen nicht bis zum begrenzer drehen kannst.
Re: scharfe Nockenwelle und andere Spinnereien :-)
Verfasst: 29. Aug 2015, 18:26
von maxp4
Ach, na dann weg damit. Die ist mir ja sowieso zu leise

Re: scharfe Nockenwelle und andere Spinnereien :-)
Verfasst: 30. Aug 2015, 17:31
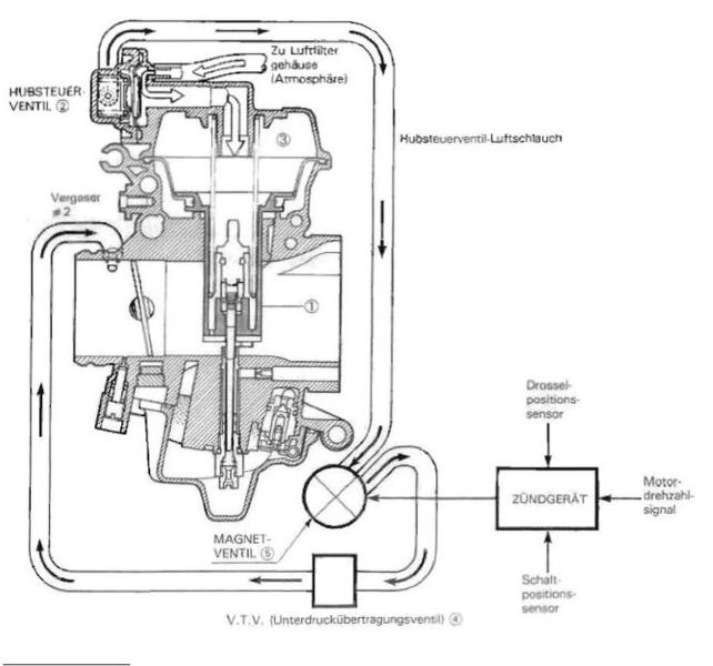
von MaSc73
Die CCM hat das gleiche Geraffels.
So sieht´s aus:
und so funktioniert´s:
Ich hab den einen Unterdruckschlauch der vom Ansaugstutzen kommt auf den anderen Ansaugstutzen geklemmt
und dessen "Gummihütchen" auf den Anschluss des Hubsteuerventils geklemmt um dieses zu verschliessen.
Re: scharfe Nockenwelle und andere Spinnereien :-)
Verfasst: 31. Aug 2015, 07:45
von Gelöschter Benutzer 128
Sooo, Leistungskrümmer ist montiert. Das Ding hat mich einiges an Nerven gekostet... die Aufnahmen für die Flanschschraube waren so schief angeschweisst, dass es wohl die Schraube beim anziehen verkantet hat. Als ich sie zwecks Korrektur nochmal lockern wollte, hats den Kopf abgerissen. Gefühlte 100 Std. und 100 Bohrer später war die härterste Edelstahlschraube aller Zeiten ausgebohrt.
Ob die neue Komplettedelstahl-Auspuffanlage was bringt kann ich ehrlich gesagt nicht sagen. Sieht halt irgendwie edler aus. Vielleicht gehört die Windy jetzt ein bisschen fetter abgestimmt. Hat jemand Erfahrung damit?
Aber ehrlich gesagt bin ich nicht richtig zufrieden damit. Die Passgenauigkeit ist naja. Das ganze ist recht nah an den Bremsschlau der Hinterradbremse gewandert. Die ist zwar doppelt Gummiert und hat zusätzlich einen Hitzeschutz aus Alu, aber gefallen tut mir das nicht. Werde nochmal versuch die Position zu korrigieren.
Den Stecker unter der Sitzbank zu ziehen hat auf alle Fälle eine Wirkung gehabt. Dreht jetzt befreit hoch
Und weil mich die Schraube soviel Schweiss am WE gekostet hat, hab ich grad überhaupt keinen Bock mehr auf Nockenwelle
PS: Fotos werde ich noch nachreichen
Re: scharfe Nockenwelle und andere Spinnereien :-)
Verfasst: 31. Aug 2015, 14:45
von Gelöschter Benutzer 128
Mir ist grad noch eine Frage eingefallen, weil ich durch den geänderten Auspuff nun die Sorge habe das sie ein bisschen zu mager läuft.
Wie ist das denn mit der Hauptdüse und dem Leerlaufgemisch? Fahre nie Vollgas d.h. Endgeschwindigkeit aber nutze natürlich Vollgas zum beschleunigen.
Ist zu diesem Zeitpunkt der Gasschieber ganz offen und es wird die Hauptdüse genutzt oder ist das noch ein "Volllasstatus" ohne dauerhaftes Vollgas, bei dem der Gasschieber durch Unterdruck am aufgehen ist? Und beeinflusst zu diesem Zeitpunkt dann noch mehr die Stellung der Leerlaufgemischschraube und die Stellung der Düsennadel die Zusammensetzung oder schon die Hautdüse?
Hoffe ich konnte meine Überlegung irgendwie verständlich machen? Mir ist nämlich nicht ganz klar ob die Düsennadel langsam aus dem Düsenstock hochfährt oder vom Unterdruck beim Gasaufreissen hochgerissen wird....
Re: scharfe Nockenwelle und andere Spinnereien :-)
Verfasst: 31. Aug 2015, 17:38
von Big_A
kannst Du mal ein Foto von dem Stecker unter der Sitzbank posten, bitte? Ich habe bei meiner FW noch alles auf Originalzustand, was Stecker und Schlauchgedöns anbelangt. Ich würd das auch gerne mal testen....
Re: scharfe Nockenwelle und andere Spinnereien :-)
Verfasst: 31. Aug 2015, 17:47
von AoS
Welchen Krümmer hast du jetzt montiert?
Grüße,
Dirk
Re: scharfe Nockenwelle und andere Spinnereien :-)
Verfasst: 31. Aug 2015, 20:03
von Gelöschter Benutzer 128
Hi Aos,
ich bin mal deinem Tipp gefolgt und hab den HRT von Hessler genommen. Kein Schnäppchen aber ok, ich wollte ja basteln und wollts ja so.
Hier die Fotos, hoffe das klappt... sind ein paar von Krümmer, Stecker am Vergaser (schwer zu erkennen weil schwer zu fotografieren) und der unter der Sitzbank.
Ich glaube ja, dass der am Vergaser eh überflüssig war. So wie ich es in den Threads verstanden habe, greifen die nur in den ersten Gängen. Und wenn die nicht mehr gemeldet werden, entfällt der Rest. Also praktisch das erste Glied in der Kette....
Re: scharfe Nockenwelle und andere Spinnereien :-)
Verfasst: 31. Aug 2015, 20:11
von Gelöschter Benutzer 128
Hier die Fotos
Re: scharfe Nockenwelle und andere Spinnereien :-)
Verfasst: 31. Aug 2015, 20:12
von Gelöschter Benutzer 128
Das Kabel war bei mir auf der linken Seite unter der Sitzbank. Hoffe ich hab auch die richtigen erwischt....
